2010 Vw Jetta Door Lock And Horn Stopped Working

My Horn Stopped Working Vw Mk4 Jetta Youtube

My Horn Stopped Working Vw Mk4 Jetta Youtube

How To Replace Horn 10 14 Volkswagen Gti Youtube

How To Replace Horn 10 14 Volkswagen Gti Youtube

Vwvortex Com Horn Not Working With Steering Wheel But Beeps When Car Is Locked

Vwvortex Com Horn Not Working With Steering Wheel But Beeps When Car Is Locked

Disable Horn When Locking Doors Volkswagen 2003 2010 Youtube

Disable Horn When Locking Doors Volkswagen 2003 2010 Youtube

Vw Horn Ultimate Troubleshooting Guide

Vw Horn Ultimate Troubleshooting Guide

New Low Tone Horn Fanfare 18g951221 For Vw Jetta Gli Golf Gti Mk5 Mk6 Passat Ebay

New Low Tone Horn Fanfare 18g951221 For Vw Jetta Gli Golf Gti Mk5 Mk6 Passat Ebay

New Low Tone Horn Fanfare 18g951221 For Vw Jetta Gli Golf Gti Mk5 Mk6 Passat Ebay

Can t open close it from the driver panel or the door.

2010 vw jetta door lock and horn stopped working. Press the unlock button once on the spare fob. The most recently reported issues are listed below. Your volkswagen remote control vehicle key may have a dead battery. There are many things that might prevent your jetta s horn from working properly.

My 2009 jetta tdi passanger rear door wont lock anymore. Do you hear a faint electrical clicking sound. After researching this i see it is a very common problem. Be it the switch for that side latch or actuator.

Step 4 this assumes you have good hearing with the key still in the on position try to activate the horn. Here are the instructions to reprogram your fob for vw models 1997 and older. Also please check out the statistics and reliability analysis of volkswagen jetta based on all problems reported for the jetta. Please also check out the statistics and reliability analysis of the 2010 volkswagen jetta based on all problems reported for the 2010 jetta.

Why your vw jetta horn is not working. Lock the vehicle s driver door using your spare key fob. If wipers are working go to step 4. Find out what s going on and how to fix it now.

It is very easy to t. I would think that if the actuator in the door was bad that the buttons. Wait six seconds and push the unlock button again. The horn will beep.

If the lock slowly started to lose power speed locking and locking or would stop working intermittently and start again the motor actuator is most likely to blame. Keep your key in the ignition. In the past few weeks the window stopped working. When one door has the locking issue it is likely an issue within the door.

Three problems related to power door locks not working have been reported for the 2010 volkswagen jetta. Also the illumination that lights up the window switch on the door has disappeared as well. It wouldn t unlock lock from the remote or from within in the car. If however it does not it could be one of a few different issues.

Your volkswagen remote control vehicle key should be able to lock and unlock your vehicle s doors from within a perimeter of several yards around the vehicle. If windshield wipers are not working your ignition switch is probably bad. The only way to open the door was to stick my hand back there and pull the handle. Two other problems started at the same time.

One door lock is not working. Vw horn audi horn troubleshooting guide. The lock unlock buttons on the same door don t work either. The most recently reported issues are listed below.

Volkswagen jetta owners have reported 11 problems related to power door locks not working under the electrical system category.

Horn Low Tone For Vw Jetta Gli Golf Gti Mk5 Mk6 Passat Ebay

Horn Low Tone For Vw Jetta Gli Golf Gti Mk5 Mk6 Passat Ebay

Front Bumper Tow Hook License Plate Mounting Holder Bracket For Vw Golf 6 7 Black Volkswagen Jetta Volkswagen Volkswagen Touran

Front Bumper Tow Hook License Plate Mounting Holder Bracket For Vw Golf 6 7 Black Volkswagen Jetta Volkswagen Volkswagen Touran

Fuse Box Volkswagen Jetta 6

Fuse Box Volkswagen Jetta 6

Sponsored Ebay 12v Snail Horn Waterproof High Low Tone 410 510hz For Vw Polo Mk4 Mk5 2002 2018 Volkswagen Polo Vw Jetta Vw Polo

Sponsored Ebay 12v Snail Horn Waterproof High Low Tone 410 510hz For Vw Polo Mk4 Mk5 2002 2018 Volkswagen Polo Vw Jetta Vw Polo

Volkswagen Jetta Dropping Relay Center Part 3 Youtube

Volkswagen Jetta Dropping Relay Center Part 3 Youtube

How To Fix A Broken Rear Seat Release Latch Vw Mkiv Auto Repair Repair Rear Seat

How To Fix A Broken Rear Seat Release Latch Vw Mkiv Auto Repair Repair Rear Seat

Volkswagen Jetta Power Outlet Problem And Solution Youtube

Volkswagen Jetta Power Outlet Problem And Solution Youtube

1x Black Car Auto Center Console Armrest Lid Repair Latch Clip Stickers Covers For Vw Jetta Bora Passat B5 Car Styling 961 Vw Mk4 Replacement Parts Auto

1x Black Car Auto Center Console Armrest Lid Repair Latch Clip Stickers Covers For Vw Jetta Bora Passat B5 Car Styling 961 Vw Mk4 Replacement Parts Auto

A Pair Low High Tone Horn New For Audi Q5 A4 S4 A5 Vw Jetta Golf Skoda Seat Ebay

A Pair Low High Tone Horn New For Audi Q5 A4 S4 A5 Vw Jetta Golf Skoda Seat Ebay

08 17 Volkswagen Passat Jetta Tiguan Cc Anti Theft Siren Alarm Horn 5c0951115 For Sale Online Ebay

08 17 Volkswagen Passat Jetta Tiguan Cc Anti Theft Siren Alarm Horn 5c0951115 For Sale Online Ebay

Mk5 Mk6 Volkswagen Vw Jetta Heated Mirror Horn Relay Fuse Module Unit Oem Ebay

Mk5 Mk6 Volkswagen Vw Jetta Heated Mirror Horn Relay Fuse Module Unit Oem Ebay

Mk4 Fuse Diagram Car Fuses Vw Mk4 Fuse Box

Mk4 Fuse Diagram Car Fuses Vw Mk4 Fuse Box

Volkswagen Car And Truck Steering Wheels Horns For Volkswagen Jetta For Sale Ebay

Volkswagen Car And Truck Steering Wheels Horns For Volkswagen Jetta For Sale Ebay

Vw Jetta Anti Theft Alarm Horn Siren 1hm951115h

Vw Jetta Anti Theft Alarm Horn Siren 1hm951115h

Jetta Horn Upgrade To Dual Tone And Alarm Installation Diy Volkswagen Owners Club Forum

Jetta Horn Upgrade To Dual Tone And Alarm Installation Diy Volkswagen Owners Club Forum

Car Rear Lid Horn Hook For Volkswagen Vw Tiguan Jetta Bora Mk4 Mk5 Mk6 Cc Passat B6 B7l For Skoda Octavia Car A Volkswagen Volkswagen Passat Cc Volkswagen Golf

Car Rear Lid Horn Hook For Volkswagen Vw Tiguan Jetta Bora Mk4 Mk5 Mk6 Cc Passat B6 B7l For Skoda Octavia Car A Volkswagen Volkswagen Passat Cc Volkswagen Golf

Super Beetle Vs Beetle Google Search Volkswagen Escarabajo Vw Escarabajo Vw Vintage

Super Beetle Vs Beetle Google Search Volkswagen Escarabajo Vw Escarabajo Vw Vintage

High Low Tone Horn For Vw Passat 2006 2014 B6 B7 Audi A4 8e 1k0 951 221 223 A Ebay

High Low Tone Horn For Vw Passat 2006 2014 B6 B7 Audi A4 8e 1k0 951 221 223 A Ebay

Https Encrypted Tbn0 Gstatic Com Images Q Tbn 3aand9gctz31p3ipgrtts2tponies Gwd9zkneu3 7jfqctancwz13 Yye Usqp Cau

Https Encrypted Tbn0 Gstatic Com Images Q Tbn 3aand9gctz31p3ipgrtts2tponies Gwd9zkneu3 7jfqctancwz13 Yye Usqp Cau

Lh Front Frame Rail End Plate Horn 99 05 Vw Jetta Golf Gti Mk4 1j0 804 181 A Ebay

Lh Front Frame Rail End Plate Horn 99 05 Vw Jetta Golf Gti Mk4 1j0 804 181 A Ebay

Volkswagen Jetta 2003 2009 Fuse Box Diagram Auto Genius

Volkswagen Jetta 2003 2009 Fuse Box Diagram Auto Genius

Exhaust Header Stainless Steel Vw Golf Ii Iii Mk2 Mk3 8v 85 98 Jetta 1 8l 2 0l Vw Golf Steel Auto

Exhaust Header Stainless Steel Vw Golf Ii Iii Mk2 Mk3 8v 85 98 Jetta 1 8l 2 0l Vw Golf Steel Auto

Power Door Locks On 2012 Vw Jetta 2 5 Se And Trunk Release Stopped Working After New Battery Was Installed The Battery

Power Door Locks On 2012 Vw Jetta 2 5 Se And Trunk Release Stopped Working After New Battery Was Installed The Battery

Automotive Air Conditioning Compressor Clutch Magnetic Clutch Ac Cooling Pump Clutch Pulley For Roewe 5501 8 Car Repair Part Auto Repair Compressor Repair

Automotive Air Conditioning Compressor Clutch Magnetic Clutch Ac Cooling Pump Clutch Pulley For Roewe 5501 8 Car Repair Part Auto Repair Compressor Repair

New Bmw E46 Cluster Wiring Diagram Opel Corsa Trailer Wiring Diagram Alternator

New Bmw E46 Cluster Wiring Diagram Opel Corsa Trailer Wiring Diagram Alternator

Alarm Horn Siren Factory Vw Jetta Golf Gti 99 5 05 Mk4 Ebay

Alarm Horn Siren Factory Vw Jetta Golf Gti 99 5 05 Mk4 Ebay

Genuine Oem Steering Wheels Horns For Volkswagen Jetta For Sale Ebay

Genuine Oem Steering Wheels Horns For Volkswagen Jetta For Sale Ebay

1piece Car Trunk Hook Horns For Passat B6 Cc For Jetta Mk5 For Audi A4 Jetta 5 6 Golf Mk5 Mk6 Tiguan Skoda Octavia A4 Book A4 Tablethorn Diaphragm Aliexpress

1piece Car Trunk Hook Horns For Passat B6 Cc For Jetta Mk5 For Audi A4 Jetta 5 6 Golf Mk5 Mk6 Tiguan Skoda Octavia A4 Book A4 Tablethorn Diaphragm Aliexpress

Electronic Alarm Horn Siren For Vw Jetta Golf Mk5 Mk6 Passat B6 Tiguan Cc Octavia Touareg 1k0 951 605 C 1k0951605c Multi Tone Claxon Horns Aliexpress

Electronic Alarm Horn Siren For Vw Jetta Golf Mk5 Mk6 Passat B6 Tiguan Cc Octavia Touareg 1k0 951 605 C 1k0951605c Multi Tone Claxon Horns Aliexpress

1999 Volkswagen Jetta Horn I Can Not Find My Horn And Want To

1999 Volkswagen Jetta Horn I Can Not Find My Horn And Want To

2004 Volkswagen Jetta Horn Replacement Youtube

2004 Volkswagen Jetta Horn Replacement Youtube

Amazon Com Amzparts Electronic Alarm Horn Siren Cable For Vw Jetta Golf Mk5 Mk6 Passat B6 Tiguan Cc Octavia Touareg 1k0 951 605 C Car Electronics

Amazon Com Amzparts Electronic Alarm Horn Siren Cable For Vw Jetta Golf Mk5 Mk6 Passat B6 Tiguan Cc Octavia Touareg 1k0 951 605 C Car Electronics

Amazon Com Suuonee Rear Lid Hook Car Rear Trunk Lid Horn Hook Handbag Holder Hanger For Jetta Bora Mk5 Passat Cc A4 S4 Automotive

Amazon Com Suuonee Rear Lid Hook Car Rear Trunk Lid Horn Hook Handbag Holder Hanger For Jetta Bora Mk5 Passat Cc A4 S4 Automotive

Review Car Security Alarm Siren Speaker Horn For Vw Jetta Golf Mk5 Mk6 Youtube

Review Car Security Alarm Siren Speaker Horn For Vw Jetta Golf Mk5 Mk6 Youtube

16 Ignition Wiring Diagram Motorcycle Motorcycle Diagram Wiringg Net In 2020 Opel Corsa Trailer Wiring Diagram Alternator

16 Ignition Wiring Diagram Motorcycle Motorcycle Diagram Wiringg Net In 2020 Opel Corsa Trailer Wiring Diagram Alternator

Auto Parts And Vehicles 2011 2014 Volkswagen Vw Jetta Driver Side Alarm Horn Signal Oem Used Car Truck Interior Trim Filtrostsd Com Ar

Auto Parts And Vehicles 2011 2014 Volkswagen Vw Jetta Driver Side Alarm Horn Signal Oem Used Car Truck Interior Trim Filtrostsd Com Ar

4 Button Car Remote Flip Key Fob Control For Buick For Gmc For Chevy Auto Parts From Automobiles Motorcycles On Banggood Com Buick Chevy Chevrolet Malibu

4 Button Car Remote Flip Key Fob Control For Buick For Gmc For Chevy Auto Parts From Automobiles Motorcycles On Banggood Com Buick Chevy Chevrolet Malibu

Blink And Sound Confirmation When Lock Unlock Vw Passat Golf Jetta Vcds Programming Youtube

Blink And Sound Confirmation When Lock Unlock Vw Passat Golf Jetta Vcds Programming Youtube

Vw Gti Mk6 2010 2014 Front Strut Brace 2 Point Volkswagen Cc Gti Volkswagen

Vw Gti Mk6 2010 2014 Front Strut Brace 2 Point Volkswagen Cc Gti Volkswagen

Vw Golf 5 Fuse Location And Fuse Diagram Engine Fuse Too Youtube

Vw Golf 5 Fuse Location And Fuse Diagram Engine Fuse Too Youtube

Genuine Oem Steering Wheels Horns For Volkswagen Jetta For Sale Ebay

Genuine Oem Steering Wheels Horns For Volkswagen Jetta For Sale Ebay

Vw Beetle How To Tell What Year It Is 4 Http Www Thesamba Com Vw Archives Lit 68whatyearisit 3 Jpg Volkswagen Kever Vw Kevers Volkswagen

Vw Beetle How To Tell What Year It Is 4 Http Www Thesamba Com Vw Archives Lit 68whatyearisit 3 Jpg Volkswagen Kever Vw Kevers Volkswagen

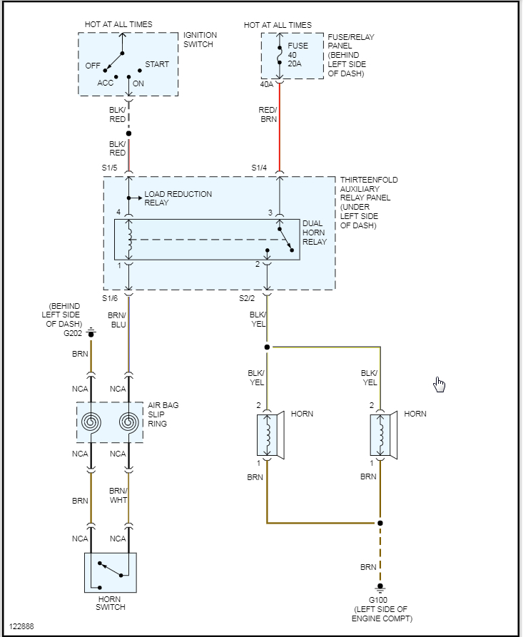
Pin Pa Diagram Sample

Pin Pa Diagram Sample

Search Q Car Horn Location Tbm Isch

Search Q Car Horn Location Tbm Isch

Source : pinterest.com